Toll free 800-227-7642 • Ph. 215-943-2930 • Fax 215-943-2931 • E-mail sales@sgfrantz.com


Frantz® Canister Separator
Model L-1CN

   The Frantz® Canister Separator (Model L-1CN) is a bench top unit for high gradient, high intensity magnetic separation of fine liquid suspended particles. It is comprised of the following elements:

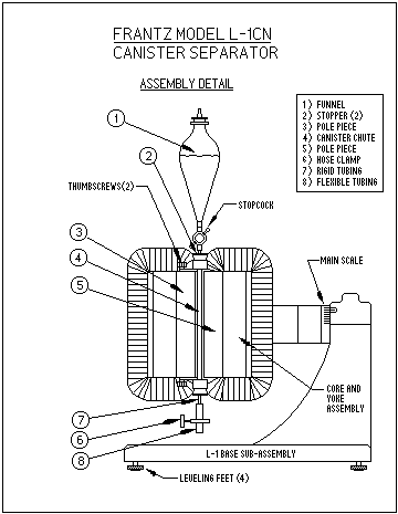
1.  The standard laboratory separator base including mechanical and magnetic systems, which consist of:

a. A cast aluminum bench top structure with leveling feet, universal mounting elements for orienting the magnetic system with relation to gravity;
b. A magnet assembly consisting of coils mounted on iron core and yoke assembly. The standard separator base is common to the Frantz Isodynamic® Magnetic Separator (Model L-1), the Frantz® Magnetic Barrier Laboratory Separator (Model LB-1), and the Model L-1CN;

Back to top

2.  Special pole pieces which provide gap space adequate for insertion of a canister;

3.  A stainless steel canister with a working space of 0.246 inch (6.3 mm) in width by 1 inch (25.4 mm) in depth and 8.750 inches (222.3 mm) in length, for a volume of 2.15 cubic inches (35.3 cubic cm). Fine stainless steel wool of magnetic grade is supplied as the matrix material with a stainless steel rod for packing and removing the wool. Other matrix materials are available;

4.  A feed system consisting of

a. A 250 ml. polyethylene feed funnel;
b. Plastic tubing and rubber stoppers to provide feed and discharge connections;
c. A tubing clamp to furnish shut off and proportional flow control;


5. Regulated power supply with digital readout (Model EMS-150).

   With the regulated power supply (Model EMS-150) field strength is variable from zero to about 15,500 to 16,000 Gauss for normal intermittent operation of the separator – turning off the current when magnetic particles are washed out and samples are changed. Field strength is measured in the canister with no matrix material in place. Field intensity is slightly higher when the canister is filled with stainless steel wool. At a field strength of 14 Kilogauss the stainless steel wool strands are magnetically saturated. Field strength at their collecting edges is substantially greater than background field strength. Field direction is transverse to the direction of fluid flow.

   Liquid suspended colloidal material having ferromagnetic to weakly paramagnetic susceptibilities can be separated with the equipment. Mixtures containing particles larger than about 45 microns are likely to cause clogging of a matrix of fine stainless steel wool. The system is designed for gravity flow. Alternatively a peristaltic pump can be used to produce slurry flow through the canister.

Back to top

   The Frantz Canister Separator design is cost efficient. Since the gap of the magnetic circuit in which the canister is placed is narrow (10.03 mm), the number of ampere turns required to produce high magnetic field intensity in the working space is substantially less than would be required to produce an axial field of equivalent intensity in a gap of more than 22 cm, the length of the working space. Large, costly water-cooled coils are required to provide high field intensity in a gap of such length.

   The standard supporting structure, coils, magnetic circuit and power supply of the Frantz Separator have been proven to be extraordinarily reliable over a period of more than 50 years. The first unit produced is still in use. Established production techniques for these elements of the Model L-1CN Separator contribute to its cost efficiency.

   Parts can be purchased to convert either a Frantz Isodynamic Magnetic Separator (Model L-1) or a Frantz Magnetic Barrier Laboratory Separator (Model LB-1) to a Frantz Canister Separator (Model L-1CN). This provides a particularly cost-effective option.

Go back to Table of Contents for Laboratory Separators

Back to top

Click to go to Process Applications